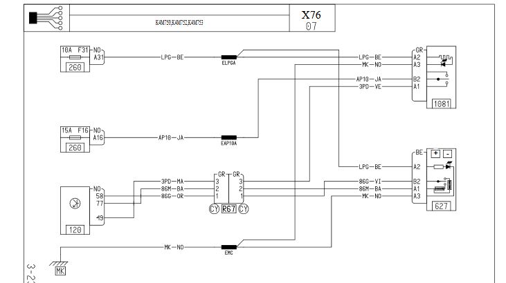
Schaltplan: Tempomat für G1Ph2 BJ07 (TTT-Technik, Tipps und Tricks)
![[image]](images/uploaded/2017042315075358fcc34970353.jpg)
120 = Steuergerät Einspritzanlage
260 = Sicherungskasten
1081 = Schalter Ein/Aus Regler und Begrenzer
627 = Hauptschalter Ein/Aus Fahrgeschwindigkeitsregler
Dann müsste ich bei mir den Tempomaten per Häkchen einschalten können
Das probiere ich nächste Woche mal. Nur keine Eile 
Hilfe und Infos
]