Vergleich: Kangoo und Laguna-Schalter (TTT-Technik, Tipps und Tricks)
Moin
So....Umschalter 8200410442 ist in Deutschland und auch in Frankreich nicht mehr lieferbar. Ich habe nun einen Umschalter 8200002447 mit sechs Anschlüssen bekommen.
Der Umschalter 8200002447 ist ein Laguna-Schalter. Ich habe nun mal meinen vorhandenen Begrenzerschalter mit dem neuen Laguna-Umschalter verglichen und gemessen.
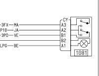
Kangoo-Begrenzerschalter
![[image]](images/uploaded/20170514174621591897edd2eb5.jpg)
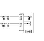
Laguna-Umschalter
![[image]](images/uploaded/201705141747065918981a55f91.jpg)
Pin-Belegungen und Schaltmöglichkeiten
![[image]](images/uploaded/2017051417480159189851ed94c.jpg)
Das bedeutet, ich muss die Adern zu meinem grauen Stecker des Begrenzerschalters durchtrennen und mit einzelnen Steckern auf den neuen Laguna-Umschalter umswitchen.
Da brauche ich etwas mehr Zeit dafür. Es kommen ja bald ein paar Feiertage 
Viele Grüße
Lothar
Hilfe und Infos
]